Conocer la distribución espacial de los hábitats y en particular de las zonas húmedas, es un elemento esencial a tener en cuenta en todas las estrategias de protección de la fauna y flora dentro y fuera de los espacios protegidos, puesto que es un condicionante primordial de la distribución espacial de las especies.
Adquirir una cartografía detallada de estas zonas húmedas permite conocer su número, distribución y características siendo una herramienta muy valiosa para la gestión y protección del territorio, pudiéndose realizar diversos estudios como la evaluación de la conectividad entre hábitats o identificar hábitats favorables para la reproducción que favorecerán la diversidad de flora y fauna asociada a ellos.

Disponer de técnicas como la teledetección por satélite permite implementar una herramienta extremadamente útil para la identificación, delimitación y caracterización de masas de agua especialmente en áreas de gran extensión donde los métodos tradicionales, como el trabajo de campo o la fotointerpretación, pueden ser muy costosos o tediosos y donde las nuevas tecnologías como el uso de drones están desaconsejadas por su vasta extensión.
Una de las mejores herramientas para este fin son las imágenes Landsat 8 por su disponibilidad para su uso libre, su alta resolución temporal, su amplitud espectral de 11 bandas así como su cobertura espacial de hojas de 183 x 170 kilómetros.
Estas imágenes están compuestas por 11 bandas, las nueve primeras corresponden al sensor óptico OLI (Operational Land Imager) con 30 metros de tamaño de píxel, a excepción de la banda 8 correspondiente al Pancromático de 15 metros de resolución espacial. Las dos últimas bandas son adquiridas por el sensor TIRS (Thermal INfrared) con un tamaño de píxel de 100 metros.
Estas imágenes pueden ser visualizadas mediante cualquier software GIS de escritorio estableciendo siempre el orden de las bandas según el objetivo. A continuación mostramos las combinaciones de bandas más comunes:

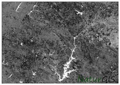
También se utilizan diferentes operaciones entre estas bandas para discernir las masas de agua, como por ejemplo la utilización del índice de Vegetación de Diferencia Normalizada (NDVI) para discernir la cubierta vegetal y por ende las masas de agua.
NDVI = banda 5 – banda 4 / banda 5 + banda 4
Este índice consiste en la combinación de las bandas del espectro visible correspondiente al rojo, banda 4, que es aquella para la cual la vegetación muestra su reflectividad más baja, y la banda del infrarrojo cercano (NIR), banda 5, donde la vegetación muestra su reflectividad más alta. El resultado de la fórmula para poder calcular el índice NDVI ofrece valores entre 0 y 1, lo que facilitará la interpretación de los resultados.

Se aplica también el método llamado ratio azul/infrarrojo 2/5 que utiliza el ratio de las bandas espectrales 2 y 5 para cuantificar la lámina de agua dado que en la banda 2 (color azul) el agua muestra su reflectividad máxima, y en la banda 5 (infrarrojo) muestra su reflectividad mínima.

Estos trabajos fueron aplicados al proyecto “Inventario y caracterización de los humedales en el Parque Natural del Tajo Internacional: problemática y directrices de gestión” en la Comunidad Autónoma de Extremadura, que combinados con diversos análisis SIG resultó un proyecto muy interesante y de alta calidad.
También se pueden aplicar estas metodologías a las imágenes SENTINEL, si quieres saber más sobre los satélites del programa COPERNICUS no te pierdas este enlace.

2 comentarios sobre “Inventario de humedales mediante Teledetección”
Los comentarios están cerrados.